снимка от открити източници
Руските учени успяха да създадат порест от пластмаса и сол материал, който имитира структурата на костта. В този случай обичайната готварска книга солта се е превърнала в основното помощно вещество.
Понастоящем полиетилен с високо високо молекулно тегло вече има широко приложение в изкуствените фуги, както и в керамиката и метал. Този вид пластмаса има висока якост и плътност, и най-важното – напълно безопасен за човешките тъкани. тези материалните характеристики са идеални за създаване изкуствени кости.
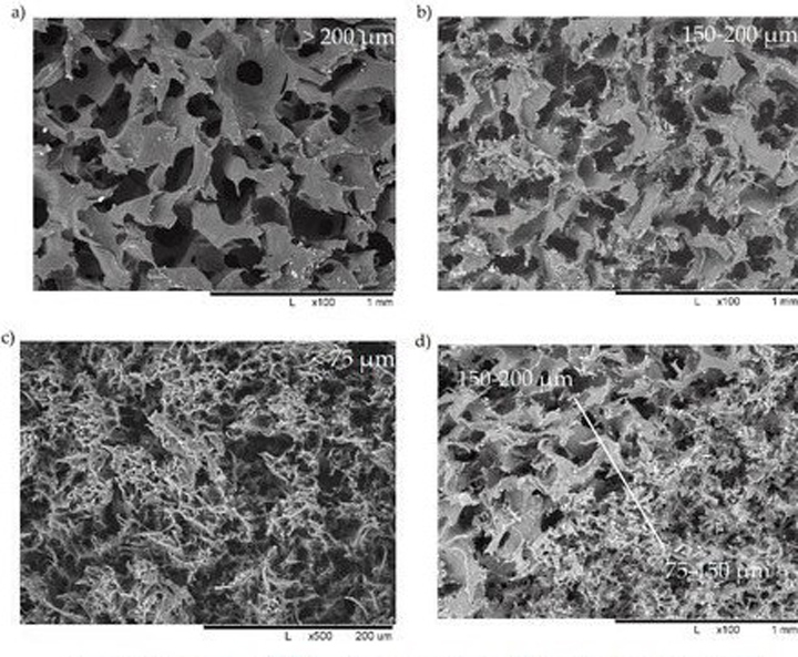
Преди това основният проблем при създаването им беше липсата на порьозност. Необходимо е костите да движат костните клетки и покълнали кръвоносни съдове, но правят сложни структури вътре изкуствената кост не беше толкова проста. За силен печат пластмасата остава вискозна за дълго време.
снимка от открити източници
Успяхме да разрешим този проблем благодарение на необичайна технология, предложен от учените NITU MISiS. По време на направата на костта, полимерът се смесва с обикновена трапезна сол и след нея солта за втвърдяване се промива с вода. Порите остават в създадения продукт правилния размер.
Материалът е тестван за якост при определени натоварвания. и също е изследван с помощта на микроскоп. Механични свойства продуктите обаче се оказаха същите независимо от размера на порите материалът е станал по-малко устойчив от истинската кост. На следващия изследователската фаза ще търси комбинация от материали за създаване на изкуствена кост с необходимите параметри.
ESOREITER говори по-рано за кост в коляното, която се смята изчезва по време на еволюцията от рудиментарен орган.
Андрей Ветров
Пластично време
